ПАКЕТ ПРИКЛАДНЫХ ПРОГРАММ "РАСЧЕТ УЧАСТВУЮЩЕЙ ВО ВЗРЫВЕ МАССЫ ВЕЩЕСТВА И РАДИУСОВ ЗОН РАЗРУШЕНИЙ. ПРИЛОЖЕНИЕ 3. ПРИКАЗ РТН ОТ 31.10.2022 N 379 (ОТ 15.12.2020 Г. №533). МЕТОДИКА, УЧИТЫВАЮЩАЯ ТИП ВЗРЫВНОГО ПРЕВРАЩЕНИЯ (ДЕТОНАЦИЯ/ДЕФЛАГРАЦИЯ) ПРИ ВОСПЛАМЕНЕНИИ ТВС"
- ООО НПП «Авиаинструмент» представляет лицензионный вертикально интегрированный, объектно-ориентированный программный комплекс ПК "Русь", Рег № ПК №2831, №2833, №2835, №3525 (ПК "Русь" "Промышленная безопасность", ПК "Русь" "Пожарная безопасность", ПК "Русь" "Охрана окружающей среды", ПК "Русь" "Энергетическая безопасность", ПК "Русь" "Эксплуатационная безопасность объектов техносферы, объектов недвижимости, зданий, сооружений", ПК ГИАС "Экобезопасность")
обеспечивающий цифровизацию процесса по расчету риска, проведения анализа источников риска, профилей риска, определения спектра возможных нежелательных событий, риска причинения вреда, оценки тяжести причинения вреда (ущерба)
охраняемым законом ценностям, оценке
вероятности наступления негативных событий в соответствии с требованиями
ст.5 №247-ФЗ от 31 07 2020 г,
ст.16,
ст.22,
ст.23 №248-ФЗ от 31.07.2020 г, №294-ФЗ от 26.12.2008 г,
Приказа Ростехнадзора от 03.11.2022 N 387 (ред. от 20.05.2025) "Об утверждении Руководства по безопасности "Методические основы анализа опасностей и оценки риска аварий на опасных производственных объектах",
Приказа МЧС России от 14.11.2022 N 1140 "Об утверждении методики определения расчетных величин пожарного риска в зданиях, сооружениях и пожарных отсеках различных классов функциональной пожарной опасности" (Зарегистрировано в Минюсте России 20.03.2023 N 72633), Приказа МЧС России от 26 июня 2024 г. N 533 "Об утверждении методики определения расчетных величин пожарного риска на производственных объектах" (Зарегистрировано в Минюсте России 02.09.2024 N 79360), Приказов Ростехнадзора от 10.01.2023 N 4 , от 10.02.2023 N 51, от 17.02.2023 N 69, от 31.10.2022 N 379, от 02.11.2022 N 385, от 28.11.2022 N, от 28.11.2022 N 411, от 28.11.2022 N 412, от 28.11.2022 N 413, от 28.11.2022 N 414, от 28.11.2022 N 415, от 22.12.2022 N 454 от 29.12.2022 N 478
в области промышленной, пожарной, энергетической, эксплуатационной, экологической безопасности, охраны окружающей среды на потенциально опасных промышленных предприятиях вертикально-интегрированных компанияй, ПОПО, ОПО, ОНВ, МН, МНПП, на которых получаются, используются, перерабатываются, образуются, хранятся, транспортируются, уничтожаются
опасные вещества (вещество, которое вследствие своих физических, химических, биологических или токсикологических свойств предопределяет собой опасность для жизни и здоровья людей, сельскохозяйственных животных и растений (воспламеняющиеся, окисляющиеся, горючие, взрывчатые, токсичные, высокотоксичные вещества, а также другие вещества, представляющие опасность для окружающей среды),
прогнозирования аварийных ситуаций,
риска причинения вреда окружающей среде, риска нанесения ущерба объектам техносферы, объектам недвижимости, зданиям, сооружениям, наружным установкам, формирования необходимой корпоративной объектно-ориентированной проектной, отчетной , технологической документации, в соответствии с требованиями
№523-ФЗ от 28.12.2024 "О технологической политике в Российской Федерации и о внесении изменений в отдельные законодательные акты Российской Федерации" по переходу России на технологический суверенитет,
ГОСТ Р 44.001-2025 "Система технологической подготовки производства» (ТПП)", ГОСТ Р 44.002-2025, ГОСТ Р 44.301-2025,
единой методологии приема, передачи информации в XML форматах, сбора, хранения, анализа, ведения вертикально-интегрированных, объектно-ориентированных баз данных, в соответствие с организационной и планировочной структурой промплощадки, объекта ОНВ, ОПО, ПОО, МН и МНПП, предприятия, компании (п.2.ст.11 НК РФ, ст.2 п.4.1 294-ФЗ, п.3 ст.16 248-ФЗ, ст. 4.2 7-ФЗ),
обеспечения контроля выполнения обязательных требований в соответствии со ст.5 №247-ФЗ, ст.16, ст.22, ст.23 №248-ФЗ, жизненного цикла объекта, наружной установки, в том числе, с сохранением объектно-ориентированных баз данных в течении 20 лет, в соответствии
п.3 ст. 78 №7-ФЗ "Об охране окружающей среды",
отработанный на объектах уничтожения химического оружия (ОУХО) в системе СППР,
обеспечения комплексной промышленной, пожарной, энергетической, эксплуатационной, экологической безопасности, охраны окружающей среды на потенциально опасных промышленных предприятиях вертикально-интегрированных компаний, ПОПО, ОПО, ОНВ, МН, МНПП
нефтяных компаниях АО "Юганскнефтегаз", АО "Томскнефть" НК ЮКОС,
ОАО "АНК "Башнефть", ПАО АНК "Башнефть", ООО "Башнефть-Добыча", Госкомэкологии РФ, МПР РФ, ФГУ РФИ МПР России, Северо-Уральское межрегиональное управление Росприроднадзора и других компаний, построенный на единой классификационной основе, при выполнении НИР, ОКР ФЦП "Национальная технологическая база", ФЦП "Экологическая безопасность России",
единой методологии приема-передачи информации
в Ростехнадзор РФ, МЧС РФ, МПР, Росприроднадзор РФ,ФНС России, единой методологии по сбору, обработке первичных статистических данных, административных и иных данных Федеральными органами исполнительной власти,
риска искажения информации об обстоятельствах, создающих опасность для жизни или здоровья людей (УК РФ Статья 237) , оценки риска причинения вреда в будущем последствием эксплуатации предприятия, сооружения либо иной производственной деятельности, которая продолжает причинять вред или угрожает новым вредом (ГК РФ Статья 1065. Предупреждение причинения вреда)
- Лицензионный вертикально интегрированный, объектно-ориентированный программный комплекс ПК "Русь", Рег № ПК №2831, №2833, №2835, №3525 (ПК "Русь" "Промышленная безопасность", ПК "Русь" "Пожарная безопасность", ПК "Русь" "Охрана окружающей среды", ПК "Русь" "Энергетическая безопасность", ПК "Русь" "Эксплуатационная безопасность объектов техносферы, объектов недвижимости, зданий, сооружений", ПК ГИАС "Экобезопасность"), имеет простой интерфейс, логически, технологически понятный любому пользователю,
имеющему базовое техническое образование, навыки работы с компьютером, офисными программами и занимающемуся разработкой разделов проектной документации на промышленном предприятии, компании, проектной организации,
отработанный на объектах уничтожения химического оружия (ОУХО) в системе СППР,
обеспечения комплексной промышленной, пожарной, энергетической, эксплуатационной, экологической безопасности, охраны окружающей среды на потенциально опасных промышленных предприятиях вертикально-интегрированных компаний, ПОПО, ОПО, ОНВ, МН, МНПП
нефтяных компаниях АО "Юганскнефтегаз", АО "Томскнефть" НК ЮКОС,
ОАО "АНК "Башнефть", ПАО АНК "Башнефть", ООО "Башнефть-Добыча", Госкомэкологии РФ, МПР РФ, ФГУ РФИ МПР России, Северо-Уральское межрегиональное управление Росприроднадзора и других компаний, построенный на единой классификационной основе, при выполнении НИР, ОКР ФЦП "Национальная технологическая база", ФЦП "Экологическая безопасность России",
что позволяет быстро и просто любому пользователю самостоятельно,
в рамках "Информационно-технологического сопровождения (ИТС),
освоить программный комплекс, содержащий в каждом программном модуле подробнейшую "Помощь", ссылки на НПА,
провести оценку пожарного риска аварий на
потенциально опасных производственных объектах (ПОПО), ОПО, ОНВ, МН и МНПП, на которых получаются, используются, перерабатываются, образуются, хранятся, транспортируются, уничтожаются пожароопасные вещества,
провести объектно-ориентированный прогноз аварийных ситуаций, взрывов ТВС, КВВ, динамики развития пожаров,
моделирование динамики развития опасных факторов пожаров ОФП,
расчет времени блокировки, времени от начала пожара до блокирования эвакуационных путей в результате распространения на них опасных факторов пожара
в многоэтажных зданиях,
расчет времени эвакуации из многоэтажных зданий при пожарах, без ограничения количества этажей, помещений на этажах,
моделирование эвакуации людей из многоэтажных зданий, без ограничения количества этажей, помещений на этажах,
определение расчетных величин пожарного риска на производственных объектах, потенциального пожарного риска в зданиях, на территории и в селитебной зоне вблизи объекта,
построение зон поражения человека при пожаре,
риска нанесения ущерба объектам техносфры, объектам недвижимости, зданиям, сооружениям, наружным установкам, технологическим процессам, охраняемым законом N 247-ФЗ от 31.07.2020, N248-ФЗ от 31.07.2020 ценностям,
расчета индивидуального, потенциального, социального, коллективного риска, построение F/N, F/G диаграмм, каждый программный модуль может использоваться как отдельно, так и собираться в любые заранее заданные конфигурации ПК "Русь", вне зависимости от времени сборки и комплектации
- Купить пакет прикладных программ
- Пакет прикладных программ "Расчет участвующей во взрыве массы вещества и радиусов зон разрушений. Приложение 3. Приказ РТН от 31.10.2022 N 379 (от 15.12.2020 г. №533). Методика, учитывающая тип взрывного превращения (детонация/дефлаграция) при воспламенении ТВС" входит в состав пакета прикладных программ программного комплекса
Пакет прикладных программ "Расчет участвующей во взрыве массы вещества и радиусов зон разрушений. Приложение 3. Приказ РТН от 31.10.2022 N 379 (от 15.12.2020 г. №533). Методика, учитывающая тип взрывного превращения (детонация/дефлаграция) при воспламенении ТВС" в составе:
включен в единый реестр российских программ для электронных вычислительных машин и баз данных Минкомсвязи России, Рег. номер ПО 2831, Рег. номер ПО 2833
СОСТАВ ПК "РУСЬ" "РАСЧЕТ УЧАСТВУЮЩЕЙ ВО ВЗРЫВЕ МАССЫ ВЕЩЕСТВА И РАДИУСОВ ЗОН РАЗРУШЕНИЙ. ПРИЛОЖЕНИЕ 3. ПРИКАЗ РТН ОТ 31.10.2022 N 379 (ОТ 15.12.2020 Г. №533). МЕТОДИКА, УЧИТЫВАЮЩАЯ ТИП ВЗРЫВНОГО ПРЕВРАЩЕНИЯ (ДЕТОНАЦИЯ/ДЕФЛАГРАЦИЯ) ПРИ ВОСПЛАМЕНЕНИИ ТВС":
- Пакет прикладных программ "Расчет участвующей во взрыве массы вещества и радиусов зон разрушений. Приложение 3. Приказ РТН от 31.10.2022 N 379 (от 15.12.2020 г. №533). Методика, учитывающая тип взрывного превращения (детонация/дефлаграция) при воспламенении ТВС"
- Пакет прикладных программ "Расчет участвующей во взрыве массы вещества и радиусов зон разрушений, тип взрывного превращения при воспламенении ТВС. Методика расчета "Тротиловый эквивалент". Приложение 3 Приказ РТН от 31.10.2022 N 379 (от 15.12.2020 г. №533), Приказ РТН от 13.05.2015 г. N 189."
- Расчет последствий взрыва топливо- воздушных смесей ТВС внутри замкнутых объемов (помещений) основанной на "тротиловом эквиваленте"
- Расчет размеров зон поражения при воспламенении опасных веществ основанном на "тротиловом эквиваленте" взрыва
- Расчет размеров зон поражения при воспламенении опасных веществ учитывающая тип взрывного превращения (детонация/дефлаграция) при воспламенении топливо воздушных смесей ТВС (печи, факелы, невзрывозащищенная электроаппаратура или при случайных, временных огневых работах, транспортные средства)
- Расчет зон поражения при взрывах твердых и жидких химически нестабильных соединений
- Расчет зон поражения при взрывах топливо воздушных смесей ТВС на наружных установках учитывающем рассеивание (дрейф) облаков ТВС и тип взрывного превращения (детонация/дефлаграция) при воспламенении ТВС
- Расчет последствий взрыва и критерии взрывоустойчивости зданий. Приказ Ростехнадзора от 15 декабря 2020 г. N 533
- Пакет прикладных программ "Определение категорий взрывоопасности технологических блоков Приложение 2. Приказ РТН от 31.10.2022 N 379 (от 15.12.2020 г. №533)"
- Определение значений энергетических показателей взрывоопасности технологического блока. Приказ Ростехнадзора от 15 декабря 2020 г. N 533
- Пакет прикладных программ "Определение категорий взрывоопасности технологических блоков. Приложение 2 Приказ РТН от 31.10.2022 N 379 (от 15.12.2020 г. №533), Приказ РТН от 13.05.2015 г. N 189 ."
- Пакет прикладных программ "Оценка взрывоопасности технологических блоков ПБ 09-540-03, ПБ 09-170-97 Приложение 1"
- Пакет прикладных программ "Определение категорий наружных установок, помещений, зданий и наружных установок по взрывопожарной и пожарной опасности. Приказ МЧС РФ от 25.03.2009 г. N 182"
- Пакет прикладных программ "Обоснование безопасности опасного производственного объекта"
- Другие программные модули
КОМПЛЕКС ПРОГРАММ ПК "РУСЬ" "РАСЧЕТ УЧАСТВУЮЩЕЙ ВО ВЗРЫВЕ МАССЫ ВЕЩЕСТВА И РАДИУСОВ ЗОН РАЗРУШЕНИЙ. ПРИЛОЖЕНИЕ 3. ПРИКАЗ РТН ОТ 31.10.2022 N 379 (ОТ 15.12.2020 Г. №533). МЕТОДИКА, УЧИТЫВАЮЩАЯ ТИП ВЗРЫВНОГО ПРЕВРАЩЕНИЯ (ДЕТОНАЦИЯ/ДЕФЛАГРАЦИЯ) ПРИ ВОСПЛАМЕНЕНИИ ТВС" РЕАЛИЗУЕТ:
- "Расчет участвующей во взрыве массы вещества и радиусов зон разрушений. Приложение 3. Приказ РТН от 31.10.2022 N 379 (от 15.12.2020 г. №533). Методика, учитывающая тип взрывного превращения (детонация/дефлаграция) при воспламенении ТВС"
ПРИМЕР ИНТЕРФЕЙСА ПАКЕТА ПРИКЛАДНЫХ ПРОГРАММ "РАСЧЕТ УЧАСТВУЮЩЕЙ ВО ВЗРЫВЕ МАССЫ ВЕЩЕСТВА И РАДИУСОВ ЗОН РАЗРУШЕНИЙ. ПРИЛОЖЕНИЕ 3. ПРИКАЗ РТН ОТ 31.10.2022 N 379 (ОТ 15.12.2020 Г. №533). МЕТОДИКА, УЧИТЫВАЮЩАЯ ТИП ВЗРЫВНОГО ПРЕВРАЩЕНИЯ (ДЕТОНАЦИЯ/ДЕФЛАГРАЦИЯ) ПРИ ВОСПЛАМЕНЕНИИ ТВС":
ПРИМЕР ИНТЕРФЕЙСА "ПЕЧАТЬ" "РАСЧЕТ УЧАСТВУЮЩЕЙ ВО ВЗРЫВЕ МАССЫ ВЕЩЕСТВА И РАДИУСОВ ЗОН РАЗРУШЕНИЙ. ПРИЛОЖЕНИЕ 3. ПРИКАЗ РТН ОТ 31.10.2022 N 379 (ОТ 15.12.2020 Г. №533). МЕТОДИКА, УЧИТЫВАЮЩАЯ ТИП ВЗРЫВНОГО ПРЕВРАЩЕНИЯ (ДЕТОНАЦИЯ/ДЕФЛАГРАЦИЯ) ПРИ ВОСПЛАМЕНЕНИИ ТВС"
ПРИМЕРЫ ИНТЕРФЕЙСА ПРОГРАММНОГО КОМПЛЕКСА ПК "РУСЬ" "ПРОМЫШЛЕННАЯ БЕЗОПАСНОСТЬ"
РЕГИСТРАЦИОННЫЙ НОМЕР ПК В ЕДИНОМ РЕЕСТРЕ ПО МИНЦИФРЫ РФ №2833
- Настройка интерфейса вида «Главное окно» ПК «Русь», процедура ввода организационной структуры предприятия, вертикально-интегрированной компании по ИНН, построение вертикально-интегрированной структуры по РФ, субъекту РФ, ОКТМО района, муниципального образования, сельского поселения, выстраивание всей организационно-планировочной структуры с уровня обособленного подразделения, производства, технологического процесса, оборудования, здания, сооружения, наружной установки, для ведения объектно-ориентированных баз данных по всей вертикали управления
- Примеры интерфейса главного окна пакета прикладных программ ПК "Русь" "Промышленная безопасность"
- Примеры интерфейса главного окна пакета прикладных программ ПК "Русь" "Промышленная безопасность"
- Примеры интерфейса пакета прикладных программ "Матрица многомерного риск-ориентированного факторного анализа"
- Примеры интерфейса пакета прикладных программ "Объемно планировочная структура объекта техногенного воздействия"
- Примеры интерфейса пакета прикладных программ "Объемно-планировочная структура объекта. Распределение опасных веществ, материалов по оборудованию, технологическим операциям, процессам, производствам"
- Интерфейс загрузки Excel файлов "Источники выбросов", "Источники выделения" по каждому обособленному подразделению
(п.2 ст.11 НК РФ), промплощадке предприятия, вертикально-интегрированной компании для формирования базы данных
производств, технологических процессов, используемого оборудования, наружных установок
- Примеры интерфейса пакета прикладных программ "Применяемость сырья и материалов в технологических процессах и производствахя"
- Примеры интерфейса пакета прикладных программ "Определение категорий помещений по взрывоопасности, взрывоопасных зон оборудования"
- Примеры интерфейса программного модуля "Определение категорий взрывоопасности технологических блоков . Расчет участвующих во взрыве массы вещества и радиусов зон разрушения. Приказ Федеральной службы по экологическому, технологическому и атомному надзору от 15 декабря 2020 г. N 533 "Об утверждении федеральных норм и правил в области промышленной безопасности "Общие правила взрывобезопасности для взрывопожароопасных химических, нефтехимических и нефтеперерабатывающих производств"
. . . . . . . . . . . . . . . . . . . . . . . . . . . . . . . . . . . . . . . . . . . . . . . . . . . . . . . . . . . . . . . . . . . . . . . . . . . . . . . . . . . . . . . . . . . . . .
- Примеры интерфейса программного модуля "Рассчет параметров воздушных ударных волн (избыточное давление P и импульс волны давления I) в зависимости от расстояния до центра облака (в том числе с учетом возможного дрейфа облака ТВС). Приказ Федеральной службы по экологическому, технологическому и атомному надзору от 15 декабря 2020 г. N 533 "Об утверждении федеральных норм и правил в области промышленной безопасности "Общие правила взрывобезопасности для взрывопожароопасных химических, нефтехимических и нефтеперерабатывающих производств"
- Примеры интерфейса пакета прикладных программ "Построение дерева событий, отказов, расчет аварийных ситуаций, расчет потенциального, индивидуального, социального риска, построения F/N, F/G диаграмм"
- Примеры интерфейса пакета прикладных программ "Расчет последствий аварийных взрывов топливно-воздушных смесей (ТВС)"
- Примеры интерфейса пакета прикладных программ "Определение параметров волны давления"
- Примеры интерфейса пакета прикладных программ "Тепловой поток с поверхности плаиени"
- Примеры интерфейса пакета прикладных программ "Расчет воздушной волны сжатия при разрыве магистрального газопровода, трубопровода или емкости под давлением"
- Примеры интерфейса пакета прикладных программ "Расчет геометрических размеров пламени для сценариев С2 " Струевые пламена" "
- Примеры интерфейса пакета прикладных программ "Воздушная волна сжатия при воспламенении газовоздушной смеси на открытом пространстве"
- Примеры интерфейса пакета прикладных программ "Расчет геометрических размеров пламени для сценариев группы С1 " Пожар в котловане"
- Примеры интерфейса пакета прикладных программ "Расчет интенсивности истечения и количества выбрасываемого газа при разрушении одиночного трубопровода"
- Примеры интерфейса пакета прикладных программ "Расчет интенсивности истечения и количества выбрасываемого газа при разрушении многоточного трубопровода"
- Примеры интерфейса пакета прикладных программ "Определение параметров волны давления для горючих газов, паров легковоспламеняющих и горючих жидкостей"
- Примеры интерфейса пакета прикладных программ "Расчет размеров взрывоопасных зон, ограниченных нижним концентрационным пределом, построение полей потенциального риска"
- Примеры интерфейса пакета прикладных программ "Оценка последствий химических аварий. Методика "Токси"
- Примеры интерфейса пакета прикладных программ "Аварии на складах жидкого аммиака. ПБ 09-579-03"
- Примеры интерфейса пакета прикладных программ "Расчет рисков, построение F/N, F/G диаграмм для линейных и площадных объектов. Приказ МЧС РФ от 26.06.2024 г. N 533 , Приказ МЧС РФ N 404 (в ред. N 649), Приказ РТН от 28.11.2022 N 414 (от 29 июня 2016 г. N 272 , от 27.12.2013 г. №646), Приказ РТН от 28.11.2022 N 415 , Приказ РТН от 20.04.2015 г. №160,Приказ РТН от 06.11.2013 г. №520, Приказ РТН от 29.12.2022 N 478 , Приказ РТН от 17.06.2016 г. №228."
- Примеры интерфейса пакета прикладных программ "Расчет потенциального, индивидуального, социального риска, построение F/N диаграмм для ОПО МН и МНПП.Приказ МЧС РФ от 26.06.2024 г. N 533 , Приказ РТН от 29.12.2022 N 478 , Приказ РТН от 17.06.2016 г. №228,"
- Примеры интерфейса пакета прикладных программ "Расчет потенциального, индивидуального, социального риска, построение F/N диаграмм для распределительных сетей трубопроводов"
- Примеры интерфейса пакета прикладных программ "Определение расчетных величин пожарного риска на производственных объектах, в зданиях, на территории, в селитебной зоне вблизи объекта . Приказ МЧС РФ от 10.07.2009 г. №404 (в ред. N 649 от 14.12.2010 г.)"
- Примеры интерфейса пакета прикладных программ "Определение расчетных величин пожарного риска на производственных объектах, в зданиях, на территории, в селитебной зоне вблизи объекта . Приказ МЧС РФ от 26.06.2024 г. N 533"
- Примеры интерфейса пакета прикладных программ "Разработка и формирование (ПЛА)"
- Примеры интерфейса пакета прикладных программ "Разработка и формирование (ПЛАРН)"
- Примеры интерфейса пакета прикладных программ "Разработка и формирование декларации промышленной безопасности (ДПБ)"
- Примеры интерфейса пакета прикладных программ "Разработка и формирование паспорта потенциально опасного промышленного объекта (ППОПО)"
- Примеры интерфейса пакета прикладных программ "Справочники веществ и материалов, показателей горючих материалов, вероятностей и частот отказов оборудования, типовых деревьев событий, отказов "
- Примеры интерфейса печати расчетов в "Редактор печати"
- Другие примеры интерфейса пакета прикладных программ ПК "Русь" "Промышленная безопасность"


ПРИМЕР ИНТЕРФЕЙСА "МАТРИЦА МНОГОМЕРНОГО РИСК-ОРИЕНТИРОВАННОГО ФАКТОРНОГО АНАЛИЗА"
ПРИМЕР ИНТЕРФЕЙСА "ОБЪЕМНО ПЛАНИРОВОЧНАЯ СТРУКТУРА ОБЪЕКТА ТЕХНОГЕННОГО ВОЗДЕЙСТВИЯ"
ПРИМЕР ИНТЕРФЕЙСА ОБЪЕМНО-ПЛАНИРОВОЧНОЙ СТРУКТУРЫ ОБЪЕКТА, РАСПРЕДЕЛЕНИЕ ОПАСНЫХ ВЕЩЕСТВ, МАТЕРИАЛОВ ПО
ОБОРУДОВАНИЮ, ТЕХНОЛОГИЧЕСКИМ ОПЕРАЦИЯМ, ПРОЦЕССАМ, ПРОИЗВОДСТВАМ
ПРИМЕР ИНТЕРФЕЙСА "ПРИМЕНЯЕМОСТЬ СЫРЬЯ И МАТЕРИАЛОВ В ТЕХНОЛОГИЧЕСКИХ ПРОЦЕССАХ И ПРОИЗВОДСТВАХ"
ПРИМЕР ИНТЕРФЕЙСА ОПРЕДЕЛЕНИЯ КАТЕГОРИЙ ПОМЕЩЕНИЙ ПО ВЗРЫВООПАСНОСТИ, ВЗРЫВООПАСНЫХ ЗОН ОБОРУДОВАНИЯ
ПРИМЕР ИНТЕРФЕЙСА ПРОГРАММНОГО МОДУЛЯ
ОПРЕДЕЛЕНИЕ КАТЕГОРИЙ ВЗРЫВООПАСНОСТИ ТЕХНОЛОГИЧЕСКИХ БЛОКОВ. РАСЧЕТ УЧАСТВУЮЩЕЙ ВО ВЗРЫВЕ МАССЫ ВЕЩЕСТВА И РАДИУСОВ ЗОН РАЗРУШЕНИЯ. ПРИКАЗ РОСТЕХНАДЗОРА ОТ 15 ДЕКАБРЯ 2020 Г. N 533 «ОПРЕДЕЛЕНИЕ КАТЕГОРИЙ ВЗРЫВООПАСНОСТИ ТЕХНОЛОГИЧЕСКИХ БЛОКОВ»:
. . . . . . . . . . . . . . . . . . . . . . . . . . . . . . . . . . . . . . . . . . . . . . . . . . . . . . . . . . . . . . . . . . . . . . . . . . . . . . . . . . . . . . . . . . . . . .
ПРИМЕР ИНТЕРФЕЙСА ПРОГРАММНОГО МОДУЛЯ
ОЦЕНКА ЗОН ПОРАЖЕНИЯ, ОСНОВАННАЯ НА "ТРОТИЛОВОМ ЭКВИВАЛЕНТЕ" ВЗРЫВА ОПАСНЫХ ВЕЩЕСТВ.
РАССЧЕТ ПАРАМЕТРОВ ВОЗДУШНЫХ УДАРНЫХ ВОЛН (ИЗБЫТОЧНОЕ ДАВЛЕНИЕ P И ИМПУЛЬС ВОЛНЫ ДАВЛЕНИЯ I) В ЗАВИСИМОСТИ ОТ РАССТОЯНИЯ ДО ЦЕНТРА ОБЛАКА (В ТОМ ЧИСЛЕ С УЧЕТОМ ВОЗМОЖНОГО ДРЕЙФА ОБЛАКА ТВС).
ПРИКАЗ РОСТЕХНАДЗОРА ОТ 15 ДЕКАБРЯ 2020 Г. N 533 «ОПРЕДЕЛЕНИЕ КАТЕГОРИЙ ВЗРЫВООПАСНОСТИ ТЕХНОЛОГИЧЕСКИХ БЛОКОВ»:
ПРИМЕР ИНТЕРФЕЙСА ПОСТРОЕНИЯ ДЕРЕВА СОБЫТИЙ, ОТКАЗОВ, РАСЧЕТ АВРИЙНЫХ СИТУАЦИЙ, РАСЧЕТ ПОТЕНЦИАЛЬНОГО, ИНДИВИДУАЛЬНОГО, СОЦИАЛЬНОГО РИСКА,
ПОСТРОЕНИЕ F/N, F/G ДИАГРАММ ПК "РУСЬ", ГИАС "ЭКОБЕЗОПАСНОСТЬ"

ПРИМЕР ИНТЕРФЕЙСА ПК "ОПРЕДЕЛЕНИЕ ПАРАМЕТРОВ ВОЛНЫ ДАВЛЕНИЯ":

ПРИМЕР ИНТЕРФЕЙСА ПРОГРАММНОГО МОДУЛЯ "ТЕПЛОВОЙ ПОТОК С ПОВЕРХНОСТИ ПЛАМЕНИ":






ПРИМЕР ИНТЕРФЕЙСА ПРОГРАММНОГО МОДУЛЯ:

ПРИМЕР ИНТЕРФЕЙСА ПРОГРАММНОГО МОДУЛЯ "РАСЧЕТ ВОЗДУШНОЙ ВОЛНЫ СЖАТИЯ ПРИ РАЗРЫВЕ МАГИСТРАЛЬНОГО ГАЗОПРОВОДА, ТРУБОПРОВОДА ИЛИ ЕМКОСТИ ПОД ДАВЛЕНИЕМ" :

ПРИМЕР ИНТЕРФЕЙСА ПРОГРАММНОГО МОДУЛЯ "РАСЧЕТ ГЕОМЕТРИЧЕСКИХ РАЗМЕРОВ ПЛАМЕНИ ДЛЯ СЦЕНАРИЕВ ГРУППЫ С2 «СТРУЕВЫЕ ПЛАМЕНА»":


ПРИМЕР ИНТЕРФЕЙСА ПРОГРАММНОГО МОДУЛЯ "ВОЗДУШНАЯ ВОЛНА СЖАТИЯ ПРИ ВОСПЛАМЕНЕНИИ ГАЗОВОЗДУШНОЙ СМЕСИ НА ОТКРЫТОМ ПРОСТРАНСТВЕ":

ПРИМЕР ИНТЕРФЕЙСА ПРОГРАММНОГО МОДУЛЯ:


ПРИМЕР ИНТЕРФЕЙСА ПРОГРАММНОГО МОДУЛЯ "РАСЧЕТ ГЕОМЕТРИЧЕСКИХ РАЗМЕРОВ ПЛАМЕНИ ДЛЯ СЦЕНАРИЕВ ГРУППЫ С1 «ПОЖАР В КОТЛОВАНЕ»":



ПРИМЕР ИНТЕРФЕЙСА ПРОГРАММНОГО МОДУЛЯ "РАСЧЕТ ИНТЕНСИВНОСТИ ИСТЕЧЕНИЯ И КОЛИЧЕСТВА ВЫБРАСЫВАЕМОГО ГАЗА ПРИ РАЗРУШЕНИИ ОДИНОЧНОГО ТРУБОПРОВОДА" :


ПРИМЕР ИНТЕРФЕЙСА ПРОГРАММНОГО МОДУЛЯ "РАСЧЕТ ИНТЕНСИВНОСТИ ИСТЕЧЕНИЯ И КОЛИЧЕСТВА ВЫБРАСЫВАЕМОГО ГАЗА ПРИ РАЗРУШЕНИИ МНОГОНИТОЧНОГО ТРУБОПРОВОДА" :

ПРИМЕР ИНТЕРФЕЙСА ПРОГРАММНОГО МОДУЛЯ "МЕТОДИКА РАСЧЕТА ИНТЕНСИВНОСТИ ИСТЕЧЕНИЯ ПРИ РАЗГЕРМЕТИЗАЦИИ ТЕХНОЛОГИЧЕСКОЙ ЛИНИИ НА ПЛОЩАДОЧНЫХ СООРУЖЕНИЯХ (НА ПРИМЕРЕ КС)" :


ПРИМЕРЫ ИНТЕРФЕЙСА ПРОГРАММНЫХ МОДУЛЕЙ ПК БЛОК "ОПРЕДЕЛЕНИЕ ПАРАМЕТРОВ ВОЛНЫ ДАВЛЕНИЯ":




ПРИМЕРЫ ИНТЕРФЕЙСА "ОЦЕНКА ПОСЛЕДСТВИЙ АВАРИЙНЫХ ВЗРЫВОВ ТОПЛИВНО-ВОЗДУШНЫХ СМЕСЕЙ":
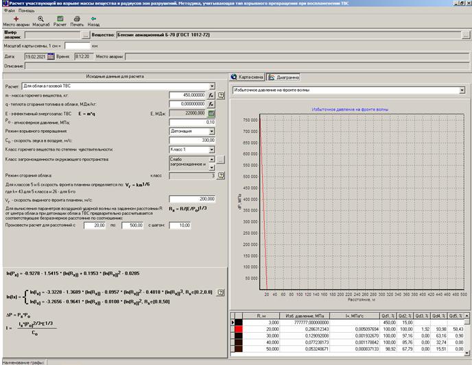
Расчет последствий аварийных взрывов топливно-воздушных смесей
Назначение пунктов меню
Для наглядного отображения зоны возможного поражения можно загрузить карту-схему места аварии. Для этого следует воспользоваться пунктом меню "Файл" - "Загрузить карту-схему":

Поддерживаются следующие графические форматы: jpg, bmp, emf, wmf.
Пункт меню "Файл" - "Сохранить карту-схему" позволяет выгрузить карту схему с нанесенными на нее масштабами поражения в графический файл для дальнейшего использования.
Пункт меню "Файл" - "Сохранить диаграмму" позволяет выгрузить выбранную диаграмму в графический файл для дальнейшего использования.
Карты схемы используемые в расчетах хранятся в виде графических файлов в папке Failure в месте установки программы. Для изменения места хранения графических файлов воспользуйтесь пунктом меню "Файл" - "Настройка". Такая необходимость может возникнуть в случае локальной установки ПО на каждое рабочее место, с расположением базы данных на выделенном сервере. В таком случае, в качестве папки для хранения графических файлов желательно указать выделенную для этих целей папку на этом же сервере.
Назначение кнопок на панели инструментов

Кнопка "Место аварии" - позволяет расположить, удалить или переместить местоположение аварии на карте-схеме.

Кнопка "Масштаб" - позволяет изменить масштаб изображения. Для растровых изображений (jpg, bmp, gif) возможны искажения.

Кнопка "Горюч. вещ-во" - просмотр информации о горючем веществе, заполнение параметров для расчета (удельная теплота сгорания и т.п.)

Кнопка "Ситуац. план" - просмотр ситуационного плана, заполнение параметров расчета.

Кнопка "Метео" - выбор текущей метеорологической обстановки (атмосферное давление и т.п.).
Кнопка "Расчет" - расчет последствий по указанным исходным данным.
Кнопка "Печать" - печать результатов расчета.
Кнопка "Назад (Выход)" - закрыть окно.
При вызове расчетной методики непосредственно из дерева задач, после нажатия кнопки "Выход" появится окно запроса на сохранение результатов расчета:

В случае положительного ответа результаты расчета будут помещены в соответствующий архив, в противном случае - удалены.
Основное рабочее окно делится на три секции по функциональному признаку:
- секция карты схемы/диаграммы;
- секция исходных данных для расчета;
- секция результатов расчета.
Секция карты схемы/диаграммы

Для корректного отображения масштабов разрушений на карте схеме необходимо указать масштаб:

В случае, когда расчет выполняется не из окна архива а непосредственно из дерева задач:

заголовочная часть секции будет иметь дополнительные поля:
-для расчета реальной аварии:

- для расчета вероятной аварии (раздел "Проектные данные"):

В случае, если имеется заполненный сценарий аварии, для ускорения работы можно выбрать шифр аварии. В этом случае поле "Горючее вещество" будет заполнено автоматически. Если в сценарии имеется карта схема, она так же будет загружена автоматически.
Диаграммы


Исходные данные для расчета
Заполните исходные данные для расчета и нажмите кнопку "Расчет".
Назначение кнопок:
- выбор значения из классификатора или справочника
- открыть нормативно-методическую документацию по данному параметру.
- рассчитать параметры для указанного значения.
Секция результатов расчета

После заполнения исходных данных и расчета (кнопка "Расчет") результатов в данной секции выводятся результаты расчета.
Для отображения соответствующего параметра на карте-схеме отметьте интересующий параметр:

Для настройки цвета отображения нажмите на соответствующую кнопку:

Угол поворота карты
По умолчанию за направление север-юг на карте схеме принято направление верх-низ. Если направление север-юг карты схемы отличается от вертикального, можно задать угол поворота:

Для этого служит панель компаса:

Угол поворота можно задать простым поворотом стрелки указателя. Для этого наведите курсор мыши на стрелку компаса и, удерживая нажатой левую кнопку мыши, поверните стрелку на требуемый угол:

Угол поворота можно так же указать как численное значение: 
ПРИМЕР ИНТЕРФЕЙСА РАСЧЕТа МАКСИМАЛЬНЫХ РАЗМЕРОВ ВЗРЫВООПАСНЫХ ЗОН, ОГРАНИЧЕННЫХ НИЖНИМ КОНЦЕНТРАЦИОННЫМ ПРЕДЕЛОМ, ПОСТРОЕНИЕ ПОЛЕЙ ПОТЕНЦИАЛЬНОГО РИСКА :


ПРИМЕР ИНТЕРФЕЙСА "РАСЧЕТ РИСКОВ, ПОСТРОЕНИЕ F/N, F/G ДИАГРАММ ДЛЯ ЛИНЕЙНЫХ И ПЛОЩАДНЫХ ОБЪЕКТОВ. ПРИКАЗ МЧС РФ ОТ 26.06.2024 Г. N 533 , ПРИКАЗ МЧС РФ N 404 (В РЕД. N 649), ПРИКАЗ РТН ОТ 28.11.2022 N 414 (ОТ 29 ИЮНЯ 2016 Г. N 272 , ОТ 27.12.2013 Г. №646), ПРИКАЗ РТН ОТ 28.11.2022 N 415 , ПРИКАЗ РТН ОТ 20.04.2015 Г. №160,ПРИКАЗ РТН ОТ 06.11.2013 Г. №520, ПРИКАЗ РТН ОТ 29.12.2022 N 478 , ПРИКАЗ РТН ОТ 17.06.2016 Г. №228."
ПРИМЕР ИНТЕРФЕЙСА "РАСЧЕТ ПОТЕНЦИАЛЬНОГО, ИНДИВИДУАЛЬНОГО, СОЦИАЛЬНОГО РИСКА, ПОСТРОЕНИЕ F/N ДИАГРАММ ДЛЯ ОПО МН И МНПП.ПРИКАЗ МЧС РФ ОТ 26.06.2024 Г. N 533 , ПРИКАЗ РТН ОТ 29.12.2022 N 478 , ПРИКАЗ РТН ОТ 17.06.2016 Г. №228,"
- Вводится объемно-планировочная структура объекта техногенного воздкйствия :
- Для каждой структуры строится дерево аварийных ситуаций :
- Проводится привязка аварийных ситуаций к объемно-планировочной структуре объекта техногенного воздкйствия
- Проводится по выбранным сценариям расчет аварийной ситуации:








- Проводится расчет риска:

.................
- Проводится печать расчетов риска:



ПРИМЕР ИНТЕРФЕЙСА "РАСЧЕТ ПОТЕНЦИАЛЬНОГО, ИНДИВИДУАЛЬНОГО, СОЦИАЛЬНОГО РИСКА, ПОСТРОЕНИЕ F/N ДИАГРАММ ДЛЯ РАСПРЕДЕЛИТЕЛЬНЫХ СЕТЕЙ ТРУБОПРОВОДОВ"
ПРИМЕР ИНТЕРФЕЙСА "ОПРЕДЕЛЕНИЕ РАСЧЕТНЫХ ВЕЛИЧИН ПОЖАРНОГО РИСКА НА ПРОИЗВОДСТВЕННЫХ ОБЪЕКТАХ, В ЗДАНИЯХ, НА ТЕРРИТОРИИ, В СЕЛИТЕБНОЙ ЗОНЕ ВБЛИЗИ ОБЪЕКТА . ПРИКАЗ МЧС РФ ОТ 10.07.2009 Г. №404 (В РЕД. N 649 ОТ 14.12.2010 Г.)"
ПРИМЕР ИНТЕРФЕЙСА "ОПРЕДЕЛЕНИЕ РАСЧЕТНЫХ ВЕЛИЧИН ПОЖАРНОГО РИСКА НА ПРОИЗВОДСТВЕННЫХ ОБЪЕКТАХ, В ЗДАНИЯХ, НА ТЕРРИТОРИИ, В СЕЛИТЕБНОЙ ЗОНЕ ВБЛИЗИ ОБЪЕКТА . ПРИКАЗ МЧС РФ ОТ 26.06.2024 Г. N 533"
ПРИМЕР ИНТЕРФЕЙСА РАСЧЕТА В РЕДАКТОРЕ ПЕЧАТИ:



АРХИТЕКТУРА ИНФОРМАЦИОННОЙ СИСТЕМЫ:


СТРУКТУРА ИНФОРМАЦИОННОЙ СИСТЕМЫ ПРИНЦИПЫ ПРИЕМА-ПЕРЕДАЧИ ДАННЫХ:


РАСПРЕДЕЛЕННАЯ МОДЕЛЬ ИНФОРМАЦИОННЫХ ПОТОКОВ ПК "РУСЬ", ГИАС "ЭКОБЕЗОПАСНОСТЬ" , ПОСТРОЕНИЕ ВЕРТИКАЛЬНО-ИНТЕГРИРОВАННЫХ ИНФОРМАЦИОННЫХ СИСТЕМ


ЦЕНА И УСЛОВИЯ ПОСТАВКИ:
Программное обеспечение (ПО) передается индивидуальным предпринимателям и юридическим лицам через прямое информационно-технологическое сопровождение в НПП "Авиаинструмент", сделав "
Заказ" на необходимую конфигурацию ПК "Русь".
Заказ программного комплекса: Заказать
Поддержка и сопровождение: Информационно-технологическое сопровождение (ИТС).
- Регистрация ПК "Русь", ПК ГИАС "Экобезопасность в едином реестре Российских программ для электронных вычислительных машин и баз данных Минцифры России, Рег № ПК №2831, №2833, №2835, №3525
ПК "Русь" "Промышленная безопасность" Рег. номер. ПО №2833,
ПК "Русь" "Пожарная безопасность" Рег. номер. ПО №2831,
ПК "Русь" "Охрана окружающей среды" Рег. номер. ПО №2835,
ПК "Русь" "Энергетическая безопасность" Рег. номер. ПО №3525,
ПК "Русь" "Эксплуатационная безопасность объектов техносферы, объектов недвижимости, зданий, сооружений" Рег. номер. ПО №3525
- Аккредитация ООО НПП «Авиаинструмент» Министерством цифрового развития, связи и массовых коммуникаций Российской Федерации на осуществление деятельности в области информационных технологий.
Рег. номер 60. Решение Минкомсвязи России о госаккредитации № 77 от 05.03.2008 года.
- Состав пакетов прикладных программ объектно-ориентированных вертикально-интегрированных программных комплексов ПК "Русь", ПК ГИАС "Экобезопасность".
- Каждая программа программных блоков вертикально интегрированных, объектно-ориентированных (п.2.ст.11 НК РФ,
ст.2 п.4.1 294-ФЗ, п.3 ст.16 248-ФЗ, ст. 4.2 7-ФЗ) ) программных комплексов ПК "Русь", ПК ГИАС "Экобезопасность" может работать как отдельно, так и собираться в заранее заданную единую взаимосвязанную функциональную конфигурацию в соответствие с организационной, объемно-планировочной структурой предприятия, компании, объектов ОНВ, ОПО, ПОО, с возможностью установки на отдельные компьютеры, ноутбуки, с объединением баз данных на своих серверах, как в локальных, так и в корпоративных сетях, используя клиент-серверную технологию доступа к базам данных, построения любой распределенной системы сбора и обработки информации, как в вертикально-интегрированных компаниях, так и у субъектов МСП с использованием локальных вычислительных сетей, сети интернет, беспроводных сетей передачи данных, как по отдельности, так и в различных сочетаниях с возможностью подключения неограниченного количества рабочих станций для ввода, анализа и обработки информации, в том числе, с использованием виртуальных машин, сохранения введенных баз данных, выполненных расчетов, проектов, по каждому обособленному подразделению (п.2.ст.11 НК РФ ), промплощадке предприятия, вертикально-интегрированной компании, производств, технологических процессов, используемого оборудования, пожаро-, взрыво-опасных веществ, материалов, привязанных к объектам ОНВ, ОПО, ПОО в соответствии с п.2.ст.11 НК РФ,
ст.2 п.4.1 294-ФЗ, п.3 ст.16 248-ФЗ, ст. 4.2 7-ФЗ) с возможностью сохранения введенных баз данных, выполненных расчетов, проектов, расчета рисков, по годам, без ограничения срока, в соответствии с действовавшими НПА на период введения данных, выполнения расчетов, разработки проектов,
использования выполненных расчетов в различных программных модулях программных комплексов, как для одного объекта техногенного воздействия (ОТВ), так и для других аналогичных объектов, обеспечения контроля выполнения обязательных требований в соответствии со
ст.5 №247-ФЗ,
ст.16,
ст.22,
ст.23 №248-ФЗ, жизненного цикла объекта, в том числе, с сохранением объектно-ориентированных баз данных в течении 20 лет, в соответствии с
п.3 ст. 78 №7-ФЗ, вне зависимости от времени и конфигурации сборки заказанной комплектации ПК "Русь", ПК ГИАС "Экобезопасность",
приведена подробная последовательность технологических операций по расчету риска, начиная с ввода объемно-планировочной структуры объекта, построения сценариев аварийных ситуаций по каждому элементу структуры объекта,
с автоматическим объединением на уровне объекта всех структурных элементов с деревьями событий, выполненными расчетами аварийных ситуаций,
с построенными деревьями событий, деревьями отказов, всего спектра возможных нежелательных событий,
без ограничения количества промежуточных событий в группе событий и результирующих событий,
возможных сценариев аварий, без ограничения количества шифров аварий для каждого сценария, для различных составляющих объемно-планировочной структуры, последовательности количественной оценки последствий аварийных выбросов пожаро-, взрыво- опасных веществ, материалов, по каждому сценарию, шифру аварийной ситуации, теплового поражения, воздействия тепловой радиации от пожаров, поражения ВУВ, ВВС, воздействия воздушной ударной волны (ВУВ), воздушной волны сжатия (ВВС),
разрушения при горении и взрыве облаков ТВС нефти (нефтепродуктов) с воздухом, расчет размеров взрывоопасных зон, расчет зон теплового воздействия факельных систем,
расчет категории помещений А, Б, В1-4, Г, Д, категории зданий А, Б, В, Г, Д, категории наружных установок АН, БН, ВН, ГН, ДН по взрывопожарной и пожарной опасности,
рсчет категории взрывоопасности технологических блоков,
мделирование динамики развития опасных факторов пожаров ОФП,
рсчет времени блокировки, времени от начала пожара до блокирования эвакуационных путей в результате распространения на них опасных факторов пожара многоэтажных зданий,
рсчет времени эвакуации из многоэтажных зданий при пожарах, без ограничения количества этажей в здании, количества помещений на этажах,
определение расчетных величин пожарного риска на производственных объектах, потенциального пожарного риска в зданиях, на территории и в селитебной зоне вблизи объекта,
вероятностную (по пробит-функции) оценку поражения человека, зданий, сооружений, неподвижных транспортных средств, технологического оборудования, наружных установок, определение точек риска, расчет индивидуального, потенциального, социального, коллективного риска,
построение полей потенциального риска на картографичческой основе, как по каждому структурному элементу объекта (п.2.ст.11 НК РФ,
ст.2 п.4.1 294-ФЗ,
п.3 ст.16 248-ФЗ,
ст. 4.2 7-ФЗ) ), так и по объекту, в целом, построение F/N, F/G диаграмм, обеспечение контроля выполнения обязательных требований в соответствии со
ст.5 №247-ФЗ,
ст.16,
ст.22,
ст.23 №248-ФЗ по определению вероятности наступления событий, возникновения риска аварийных ситуаций, потенциальном масштабе распространения вероятных негативных последствий, влекущих причинение вреда (ущерба), с учетом сложности преодоления таких последствий, следствием которых может стать причинение вреда (ущерба) различного масштаба, тяжести для охраняемых законом ценностей, фактическом причинении вреда (ущерба) вследствие наступления событий, вызванных определенными источниками и причинами риска причинения вреда (ущерба),
документарное формирование расчета пожарного риска
- Примеры интерфейса пакетов прикладных программ ПК "Русь", ПК ГИАС "Экобезопасность" №2831, №2833, №2835, №3525
- Приведены примеры интерфейса пакетов прикладных программ ПК "Русь", ПК ГИАС "Экобезопасность" №2831, №2833, №2835, №3525 с подробными примерами последовательности
расчета величин риска на производственных, гражданских объектах, в зданиях, сооружениях, строениях различных классов,
на территории ПОО, ОПО, МН, ЛЧ, площадных сооружениях ПОО, ОПО МН, МНПП, объектах негативного воздействия на окружающую среду (ОНВ), в зоне влияния объектов,
элементов структуры объектов, от технологических операций с расчетом последовательности построения полей потенциального риска,
с учетом неограниченного количество источников опасности, неограниченного количества сценариев аварийных ситуаций
по каждому структурному элементу ПОО, ОПО, МН, ЛЧ,
площадного сооружения ПОО, ОПО МН, МНПП, ОНВ (п.2.ст.11 НК РФ,
ст.2 п.4.1 294-ФЗ,
п.3 ст.16 248-ФЗ,
ст. 4.2 7-ФЗ) ), приведена подробная последовательность технологических операций по расчету риска, начиная с
ввода объемно-планировочной структуры объекта, построения сценариев аварийных ситуаций по каждому элементу структуры объекта,
с автоматическим объединением на уровне объекта всех структурных элементов с деревьями событий, выполненными расчетами аварийных ситуаций,
с построенными деревьями событий, деревьями отказов, всего спектра возможных нежелательных событий,
без ограничения количества промежуточных событий в группе событий и результирующих событий,
возможных сценариев аварий, без ограничения количества шифров аварий для каждого сценария, для различных составляющих объемно-планировочной структуры,
приведена подробная последовательность технологических операций
по количественной оценке массы пожаро-, взрывоопасеых веществ, материалов, поступающих в окружающее пространство,
последствий аварийных выбросов пожаро-, взрыво- опасных веществ, материалов, по каждому сценарию, шифру аварийной ситуации,
теплового поражения, воздействия тепловой радиации от пожаров, поражения ВУВ, ВВС, воздействия воздушной ударной волны (ВУВ), воздушной волны сжатия (ВВС), поражения осколками, воздействия осколков, поражения газовой струей, динамического воздействия газовой струи,
разрушения при горении и взрыве облаков ТВС нефти (нефтепродуктов) с воздухом, расчет размеров взрывоопасных зон, расчет зон теплового воздействия факельных систем, моделирование рассеяния опасных веществ в атмосфере (модели «тяжелого» и «легкого» газов),
вероятностную (по пробит-функции) оценку поражения человека, зданий, сооружений, неподвижных транспортных средств, технологического оборудования, наружных установок, определение точек риска, расчет индивидуального, потенциального, социального, коллективного риска,
построение полей потенциального риска на картографичческой основе, как по каждому структурному элементу объекта (п.2.ст.11 НК РФ,
ст.2 п.4.1 294-ФЗ,
п.3 ст.16 248-ФЗ,
ст. 4.2 7-ФЗ) ), так и по объекту, в целом, построение F/N, F/G диаграмм, обеспечение контроля выполнения обязательных требований в соответствии со
ст.5 №247-ФЗ,
ст.16,
ст.22,
ст.23 №248-ФЗ по определению вероятности наступления событий, возникновения риска аварийных ситуаций, потенциальном масштабе распространения вероятных негативных последствий, влекущих причинение вреда (ущерба), с учетом сложности преодоления таких последствий, следствием которых может стать причинение вреда (ущерба) различного масштаба, тяжести для охраняемых законом ценностей, фактическом причинении вреда (ущерба) вследствие наступления событий, вызванных определенными источниками и причинами риска причинения вреда (ущерба),
документарное формирование расчета риска
- Примеры интерфейса пакетов прикладных программ ПК "Русь", ПК ГИАС "Экобезопасность" №2831, №2833, №2835, №3525
- Примеры интерфейса пакетов прикладных программ ПК "Русь" "Промышленная безопасность", №2833
- Примеры интерфейса пакетов прикладных программ ПК "Русь" "Пожарная безопасность", №2831
- Примеры интерфейса пакетов прикладных программ ПК "Русь" "Охрана окружающей среды", №2835
- Примеры интерфейса пакетов прикладных программ ПК "Русь" "Энергетическая безопасность", №3525
- Примеры интерфейса пакетов прикладных программ ПК "Русь" "Эксплуатационная безопасность объектов техносферы, объектов недвижимости, зданий, сооружений", №3525
- Примеры интерфейса пакетов прикладных программ ПК ГИАС "Экобезопасность", №3525
- Назначение, функциональные возможности, методология, архитектура построения, адаптация, обновления ПК "Русь", ПК ГИАС "Экобезопасность"
- Ведение в едином интерфейсе в текущем режиме времени вертикально- интегрированные объектно ориентированных баз данных по объектам негативного воздействия на окружающую среду (ОНВ), производственного экологического контроля (ПЭК), баз данных по ПЭК, расчета платы за НВОС в соответствии с фактическими данными ПЭК, единую базу данных в области ООС, ПБ, ЭБ по объектам ОНВ, расположенных в различных ОКАТО, ОКТМО, как вертикально-интегрированных компаний, так и субъектов СМП, как по отдельным объектам ОНВ, так и по юридическому лицу в целом, использовать текущие базы данных для автоматической разработки проектов ПДВ, ПНООЛР, НДС, сформировать 2 ТП (воздух), 2 ТП ( отходы), 2 ТП (водхоз), 4-ОС, расчет объема выбросов парниковых газов, формирование отчета выбросов ПГ, построение систем мониторинга, построение систем СППР, произвести расчет классов опасности отходов КО ОПС, КО НВОС, класс опасности токсичного отхода (КО ТО), декларации о плате за НВОС, базы данных по каждому объекту негативного воздействия (ОНВ) по выбросам ЗВ в атмосферный воздух по каждому источнику выброса и каждому ЗВ, включая автоматические средства измерения ЗВ, сбросам ЗВ в водные объекты, в канализационные сети, движение отходов. вести журналы учета движения отходов, формировать отчетность об организации и результатах осуществления производственного экологического контроля
(Отчет о ПЭК), формировать, без привлечения сторонних организаций, всю необходимую документацию в области охраны окружающей среды (ОС), промышленной, пожарной, эксплутационной безопасности, автоматическое формирование из объектно-ориентированных баз данных
- Ведение баз данных по обеспечению комплексной технологической безопасности на объектах техносферы,
- Ведение баз данных по обеспечению промышленной, пожарной, эксплуатационной, энергетической, технологической, экологической безопасности, охраны окружающей среды,
- Объектно-ориентированное (п.2.ст.11 НК РФ, ст.2 п.4.1 294-ФЗ, п.3 ст.16 248-ФЗ, ст. 4.2 7-ФЗ) проведение оценки риска, профилей риска, определения спектра возможных нежелательных событий, риска причинения вреда, оценки тяжести причинения вреда (ущерба) охраняемым законом ценностям, оценки вероятности наступления негативных событий на объектах техногенного воздействия (ст.22, 23 №248-ФЗ ) как по каждому обособленному подразделению, ОПО, ОНВ, ПОО, так и компании в целом.
- Проведение объектно-ориентированной (п.2.ст.11 НК РФ, ст.2 п.4.1 294-ФЗ, п.3 ст.16 248-ФЗ, ст. 4.2 7-ФЗ) инвентаризации технологических процессов,
образующихся от них выбросов ЗВ в атмосферный воздух, расчета выбросов парниковых газов CO2, CH4, N2O, SF6, CHF3, CF4, C2F6, Охват 1, Охват 2, Охват 3, сбросов ЗВ, образования отходов, ведение сводных расчетов, расчетов технологических нормативов выбросов, сбросов, отходов на единицу номенклатуры продукции, проведение объектно-ориентированных (п.2.ст.11 НК РФ, ст.2 п.4.1 294-ФЗ, п.3 ст.16 248-ФЗ, ст. 4.2 7-ФЗ) расчетов деклараций промышленной,
пожарной безопасности, расчет времени блокировки, времени эвакуации при пожаре, расчет динамики распространения опасных факторов пожара, взрыва расчета потенциального, социального, коллективного риска, F/N, F/G диаграмм, ведение систем мониторинга, СППР, разработку
планов ЛАРН, ПЛА, ПЛАС, паспортов опасных объектов, формирования деклараций промышленной, пожарной безопасности, ПНООЛР, НДВ, ПДВ, НДС, СЗЗ,
деклараций ДВОС, КЭР, расчет платы за НВОС, ПЭК, формирование отчета по ПЭК, систем мониторинга, СППР, данных статотчетности 2-ТП (воздух), 2-ТП (отходы), 2-ТП (водхоз), 2-ТП (рекультивация), 4-ОС, 70-ТП, 71-ТП, 5-ГР, 6-ГР, 1-ЛС, 2-ЛС, данных водопотребления, водоотведения,
синхронизации данных по размещению отходов ТКО, НЕ ТКО на объектах ГРОРО с данными лицензий,
администрирования начисления и поступления платежей по всей организационной вертикали управления компании, прием-передачу информации в органы надзора в открытых XML форматах и др.
- Прогнозирование аварийных ситуаций, риска причинения вреда окружающей среде, риска нанесения ущерба объектам техносферы, объектам недвижимости, зданиям, сооружениям, наружным установкам,
- Построение сценариев аварийных ситуаций, дерева событий, дерева отказов, обеспечение проведения расчета рисков,
построения F/N, F/G диаграмм
- Определение спектра возможных нежелательных событий, возможных сценариев аварий на различных составляющих ПОО, ОПО, МН, ЛЧ, площадочных сооружениях ПОО, ОПО МН, МНПП, объектах негативного воздействия на окружающую среду ОНВ,
- Расчет показателей пожаро-, взрывоопасности веществ и материалов
- Расчет количественной оценки массы пожаро-, взрывоопасных веществ, показателей пожаровзрывоопасности веществ поступающих в окружающее пространство
- Количественная оценка и последствия аварийных выбросов пожаро-, взрыво- опасных веществ, материалов, расчет показателей риска производственных объектов, наружных установок, ОПО, ОНВ, МН и МНПП, территории зоны воздействия,
- Оценка взрывоопасности технологических блоков, определение категорий взрывоопасности наружных установок, помещений, зданий по взрывопожарной и пожарной опасности
- Моделирование взрывов облаков ТВС с учетом тротилового эквивалента вещества, а также взрывов конденсированных взрывчатых веществ КВВ
- Провести расчет прогнозирования аварийных ситуаций, взрывов ТВС, КВВ, динамики развития пожаров, риска нанесения ущерба объектам техносферы, объектам недвижимости, зданиям, сооружениям, наружным установкам, технологическим процессам, охраняемым законом N 247-ФЗ от 31.07.2020, N248-ФЗ от 31.07.2020 ценностям,
- Моделирование взрывов облаков ТВС, параметров ударной волны, зон поражения, разрушения при горении и взрыве облаков ТВС нефти (нефтепродуктов) с воздухом. расчет размеров взрывоопасных зон, расчет зон теплового воздействия стационарных факельных систем, моделирование рассеяния опасных веществ в атмосфере (модели «тяжелого» и «легкого» газов)
- Расчет зон токсического поражения человека и зон возможного воспламенения (взрыва) облаков топливно-воздушных смесей (ТВС)
- Оценку параметров воздушных ударных волн (избыточного давления на фронте волны сжатия, импульса, длительности фазы сжатия и разряжения) с учетом загроможденности окружающего пространства, скорости взрывного превращения (детонация, дефлаграция) и фазового состава облака
- Определить зоны поражения людей и повреждения зданий в результате взрывов облаков ТВС по различным критериям поражения (по избыточному давлению, по избыточному давлению и импульсу, вероятностное поражение по пробит-функциям).
- Оценка взрывоопасной массы горючего в облаках ТВС и их перемещения (дрейфа) с учетом времени, прошедшего с начала выброса
- Провести моделирования последствий теплового воздействия от пожара пролива, огненного шара, аварийных факелов, пожара-вспышки, расчет зон возможного поражения осколками при аварийном разрушении емкостного оборудования, оценка воздействия аварийных выбросов ОВ на окружающую среду
- Расчет размеров разрушения, частоты их возникновения на магистральных нефте- и газопроводах, массовой скорости истечения горючих газов, зон загазованности и зон теплового воздействия при авариях на магистральных газопроводах
- Расчет зон возможного поражения осколками человека, зданий, сооружений, технологического оборудования при аварийном разрушении надземного и подземного оборудования (резервуаров, трубопроводов)
- Обеспечение комплексной пожарной, промышленной, энергетической, эксплуатационной, экологической безопасности, охраны окружающей среды на объектах техносферы, на промышленных предприятиях, потенциально опасных объектах, в вертикально-интегрированных компаниях,
- Детерминированную (учитывающую только значение поражающих факторов) и вероятностную (по пробит-функции) оценку теплового поражения, воздействия тепловой радиации от пожара на человека, на здания, сооружения, технологическое оборудование, наружные установки
- Детерминированную (учитывающую только значение поражающих факторов) и вероятностную (по пробит-функции) оценку поражения ВУВ, ВВС, воздействия воздушной ударной волны (ВУВ), воздушной волны сжатия (ВВС) на человека, на здания, сооружения, неподвижные транспортные средства, технологическое оборудование, наружные установки
- Детерминированную (учитывающую только значение поражающих факторов) и вероятностную (по пробит-функции) оценку поражения осколками, воздействия осколков на человека, на здания, сооружения, технологическое оборудование, наружные установки
- Детерминированную (учитывающую только значение поражающих факторов) и вероятностную (по пробит-функции) оценку поражения газовой струей, динамического воздействия газовой струи на человека, на здания, сооружения, неподвижные транспортные средства, технологическое оборудование, наружные установки
- Расчет показателей риска как на территории опасного производственного объекта, так и в зоне его влияния, построение полей потенциального риска, с учетом как неограниченного количество источников опасности, так и неограниченного количества сценариев аварийных ситуаций, пожаров, взрывов ТВС, КВВ, воздействия ВУВ, ВВС, разлета осколков на человека, на здания, сооружения, неподвижные транспортные средства, технологическое оборудование, расчет индивидуального, потенциального, социального, коллективного риска, построение F/N, F/G диаграмм.
- Программы-конструктор формирования необходимой корпоративной объектно-ориентированной проектной, отчетной , технологической документации, в соответствии с требованиями НПА, №523-ФЗ от 28.12.2024 по переходу России на
технологический суверенитет, ГОСТ Р 44 "Система технологической подготовки производства» (ТПП)"
- Сохранение выполненных объектно-ориентированных расчетов по объектам негативного воздействия ОНВ, пожаро-опасным производственным объектам ОПО, МН, МНПП по годам
- Сохранение баз данных, введенные в программные модули вне зависимости от времени поставки последующих дополнительных блоков т.е. не зависят от поставки дополнительных блоков
- Ведение объектно-ориентированных баз данных по пожарной безопасности объектов техносферы, объектов недвижимости, общественных зданий, промышленных объектов
- Формирование всей необходимой корпоративной объектно-ориентированной проектной, отчетной , технологической документации в области обеспечения пожарной безопасности, в соответствии с требованиями НПА, №523-ФЗ от 28.12.2024 по переходу России на
технологический суверенитет, ГОСТ Р 44 "Система технологической подготовки производства» (ТПП)", Приказа МЧС России от 26 июня 2024 г. N 533 "Об утверждении методики определения расчетных величин пожарного риска на производственных объектах" (Зарегистрировано в Минюсте России 02.09.2024 N 79360),
Приказа МЧС России от 14.11.2022 N 1140 "Об утверждении методики определения расчетных величин пожарного риска в зданиях, сооружениях и пожарных отсеках различных классов функциональной пожарной опасности" (Зарегистрировано в Минюсте России 20.03.2023 N 72633) и другими НПА
- Проведение оценки последствий аварийных ситуаций, ущерба, в том числе связанных с выбросом пожароопасных веществ, показателей риска производственных объектов, наружных установок, ОПО, ОНВ, МН и МНПП, территории зон воздействия, оценки взрыво-, пожаро- опасности зданий и сооружений, риска в производственных и непроизводственных зданиях, сооружениях, категорирования наружных установок по взрыво-, пожаро- опасности и других задач по обеспечению единой информационно-технологической цепочки сбора, хранения, проверки достоверности представления и обработки информации в области риск-ориентированной пожарной безопасности по всей информационной вертикали управления, проверки достоверности представления и обработки информации в области риск-ориентированного надзора по всей информационной вертикали управления в соответствии с Постановлением Правительства РФ от 17.08.2016 N 806 (ред. от 02.03.2017) "О применении риск-ориентированного подхода при организации отдельных видов государственного контроля (надзора) и внесении изменений в некоторые акты Правительства Российской Федерации" (вместе с "Правилами отнесения деятельности юридических лиц и индивидуальных предпринимателей и (или) используемых ими производственных объектов к определенной категории риска или определенному классу (категории) опасности"),
Статьи 8.1. «Применение риск-ориентированного подхода при организации государственного контроля (надзора)» Федерального закона от 26.12.2008 N 294-ФЗ "О защите прав юридических лиц и индивидуальных предпринимателей при осуществлении государственного контроля (надзора) и муниципального контроля"
- Расчет ущерба при аварийных ситуациях
- Расчет достаточности сил и средств при ЛЧС(Н)"
- Разработка разделов планов ликвидации аварийных ситуаций, разделов ИТМ ГО и ЧС, разработка деклараций пожарной безопасности, разработка мероприятий по защите персонала и населения от возможных аварий
- Разработка разделов по пожарной безопасности паспорта безопасности потенциально опасного промышленного объекта (ПОПО), разделов паспорта антитеррористической защищенности объекта (территории), паспорта безопасности объекта (территории), плана по предупреждению и ликвидации чрезвычайных ситуаций, обусловленных разливами нефти и нефтепродуктов на территории объекта (ПЛАРН), плана локализации и ликвидации аварий (ПЛА) на взрывопожароопасных и химически опасных производственных объектах, плана локализации и ликвидации аварийных ситуаций (ПЛАС) на химико-технологическом объекте, разделов плана ГО и ЧС действий по предупреждению и ликвидации чрезвычайных ситуаций организации в соответствии с ГОСТ Р 22.2.14-2023, декларации безопасности гидротехнического сооружения (ДБГТС), другой документации в области ПБ, ЭБ, ООС, антитеррористической защищенности объектов техносферы, объектов недвижимости, зданий, сооружений, в соответствии с Приказами МЧС России от 26.06.2024 г. N533, от 14.11.2022 N1140, Приказом Ростехнадзора от 03.11.2022 N 387 (ред. от 20.05.2025 N 168), ст. 5 N 247-ФЗ от 31.07.2020, ст.22, ст.23 N248-ФЗ от 31.07.2020, формирование всей необходимой корпоративной объектно-ориентированной проектной, отчетной , технологической документации по пожарной безопасности, в соответствии с требованиями НПА, №523-ФЗ от 28.12.2024 по переходу России на
технологический суверенитет, ГОСТ Р 44 "Система технологической подготовки производства» (ТПП)"
- Разработка специальных технических условий, проверка достоверности расчетов при обязательном страховании ответственности владельцев ПОПО, проведение риск-ориентированного подхода при определении вероятности аварийных ситуациях на ПОПО и нанесения ущерба охраняемых законом ценностям
- Обеспечивают выполнение требований Федеральных законов Российской Федерации от 26 декабря 2008г. №294-ФЗ "О защите прав юридических лиц и индивидуальных предпринимателей при осуществлении государственного контроля (надзора) и муниципального контроля" (ст.8.1 «Применение риск-ориентированного подхода при организации государственного контроля (надзора)), вертикально-интегрированного контроля на объектах ОНВ, ОПО
по всей информационной вертикали управления на предприятии, компании, от единиц оборудования, технологических операций, техпроцессов, производств, "обособленных подразделений" (ч.2, ст.11 НК РФ), с применением матрицы многомерного риск-ориентированного факторного анализа источников риска, профилей риска, определения спектра возможных нежелательных событий, риска причинения вреда, оценки тяжести причинения вреда (ущерба) охраняемым законом ценностям, оценки вероятности наступления негативных событий,
- Обеспечение выполнения ст.23. «Категории риска причинения вреда (ущерба) и индикаторы риска нарушения обязательных требований»
Федерального закона от 31.07.2020 N 248-ФЗ «О государственном контроле (надзоре) и муниципальном контроле в Российской Федерации»),
"Заявка о постановке на учет объектов НВОС", сформировать "Заявка на КЭР", КЭР (КЭР), ДВОС, построение сценариев аварийных ситуаций, деревьев отказов, расчет условных вероятностей, расчет рисков, построение полей потенциального риска, расчет ущерба, построение F/N, F/G диаграмм и формирование других документов в соответствии с требованиями НПД, как по отдельным объектам капитального строительства, так и (или) другим объектам, а также их совокупности, объединенных единым назначением и (или) неразрывно связанных физически или технологически и расположенных в пределах одного или нескольких земельных участков, так и по предприятию, компании в целом, создать систем СЭМ, автоматизированные системы управления (АСУ) по ISO 14001, обеспечить прием-передачу информации в ХМL-формате, обеспечение промышленной, пожарной, эксплуатационной, энергетической, технологической, экологической безопасности, охраны окружающей среды,
жизненного цикла объекта, наружной установки, в том числе, с сохранением объектно-ориентированных баз данных в течении 20 лет, в соответствии с
п.3 ст. 78 №7-ФЗ, построенных на единой классификационной основе, единой методологии приема-передачи информации ФНС России,
единой методологии по сбору, обработке первичных статистических данных, административных и иных данных
Федеральными органами исполнительной власти , направленных на достижение технологического суверенитета России,
в рамках единой методологии приема, передачи информации в XML форматах, сбора, хранения, анализа, ведения
вертикально-интегрированных, объектно-ориентированных баз данных, в соответствие с организационной и планировочной структурой промплощадки, объекта ОНВ, ОПО, ПОО, предприятия, компании (п.2.ст.11 НК РФ,
ст.2 п.4.1 294-ФЗ,
п.3 ст.16 248-ФЗ,
ст. 4.2 7-ФЗ) ) ,
обеспечения контроля выполнения обязательных требований в соответствии со
ст.5 №247-ФЗ,
ст.16,
ст.22,
ст.23 №248-ФЗ, в том числе, ведение единых объектно-ориентированных баз данных :
- Блочная структура, каждый расчетный блок может функционировать как отдельно, так и использовать выполненные расчеты в различных расчетных пакетах прикладных программ, сценариях аварийных ситуаций, авариях, протекающих с наличием эффекта домино (domino effeсt)
- Клиент-серверная технология доступа к данным, возможность построить распределенную систему сбора и обработки информации, используя локальные вычислительные сети, глобальную сеть Интернет и беспроводные сети приема-передачи данных, как по отдельности, так и в различных сочетаниях
- Возможность установления на серверах, локальных компьютерных сетях, в том числе с ограничением рабочих мест, работать с единой объектно-ориентированной базой данных
- Подключение неограниченного количества рабочих станций для ввода, анализа и обработки информации
- Количество одновременно подключенных рабочих станций определяется характеристиками сервера БД и возможностями операционной системы установленной на сервере
- Проведение расчетов с возможностью раздельной работы на нескольких мониторах, в том числе, при работе с чертежами, картографической подложкой
- Встроенные классификаторы, справочники
- Регистрация ПК "Русь", ПК ГИАС "Экобезопасность в едином реестре Российских программ для электронных вычислительных машин и баз данных Минцифры России, Рег № ПК №2831, №2833, №2835, №3525
ПК "Русь" "Промышленная безопасность" Рег. номер. ПО №2833, ПК "Русь" "Пожарная безопасность" Рег. номер. ПО №2831, ПК "Русь" "Охрана окружающей среды" Рег. номер. ПО №2835,
ПК "Русь" "Энергетическая безопасность" Рег. номер. ПО №3525, ПК "Русь" "Эксплуатационная безопасность объектов техносферы, объектов недвижимости, зданий, сооружений" Рег. номер. ПО №3525
- Формат приема-передачи данных, системные требования к серверу, рабочему месту
- Аккредитация ООО НПП «Авиаинструмент» Министерством цифрового развития, связи и массовых коммуникаций Российской Федерации на осуществление деятельности в области информационных технологий.
Рег. номер 60. Решение Минкомсвязи России о госаккредитации № 77 от 05.03.2008 года.
- Примеры интерфейса пакетов прикладных программ ПК "Русь", ПК ГИАС "Экобезопасность" №2831, №2833, №2835, №3525
- Информационно-технологическое сопровождение (ИТС)
- Стоимость, заявка на оформление, продление договора на пакет прикладных программ программного комплекса ПК "Русь", ПК ГИАС "Эеобезопасность"
- Программный комплекс сетевой, клиент-сервер, количество одновременно подключенных компьютеров (рабочих станций) к серверу определяется только характеристиками сервера, возможностями операционной системы установленной на сервере,
лицензионным договором.
Базовая комплектация включает неисключительную лицензию на использование, с возможностью инсталляции на компьютер (рабочее место), установку на сервер, без ключей физической защиты (без USB-ключей защиты).
Лицензия программная, реализовывается путем ее привязки к компьютерному устройству. Количество электронных программных ключей, включая установку на сервер, определяется только лицензионным договором.
Для удобства работы в ПК "Русь", ПК ГИАС "Экобезопасность", рекомендуется подключение к компьютеру, ноутбуку нескольких мониторов, для раздельной работы с "Помощь", "НТД", графической, топографической информацией, планировками, картами-схемами, диаграммами,
построением полей потенциального риска, путей эвакуации при пожаре, базами данных, исходными сведениями для расчетов.
ООО НПП "Авиаинструмент" аккредитовано по осуществлению деятельности в области информационных технологий от 07 марта 2008 г. за №60 (Приказ Министерства информационных технологий и связи Российской Федерации от 09.01.2008г. №3)
|